Temperature sensor M12
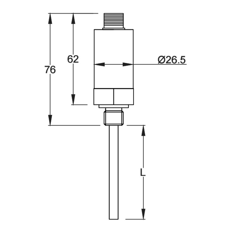
Temperature sensor, M12 wiring, can specify the length of probe L to keep it stable below the liquid level or in gas for a long time. The all stainless steel design ensures its corrosion resistance and practicality. It uses PT100 temperature sensing elements to ensure stable and rapid signal transmission, and provides multiple thread and output models. At the same time, provides OEM manufacturing services, with a detection range of -200 ℃ to 660 ℃, or can be freely selected in this range, such as -50 ℃ to 100 ℃ or 0 ℃ to 300 ℃.For more sensor options, please visit the website: www.rsind-sensor.com


